导航
免费发布需求
您的位置:任务大厅手术器械注射穿刺器械

0.4万 防回流导管

已托管:0.4万

项目进度

  • 发布需求

    2023-03-14

  • 服务商交稿

    2024-04-17

  • 顾客选稿

    2024-04-18

  • 投票期

  • 公示期

  • 稿件交付中

  • 评价

需求描述

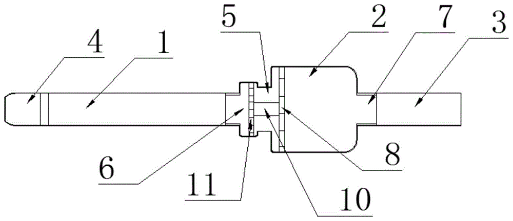
需求背景:

医用导管系用于医疗的管状橡胶制品,其多用于注入药物或抽出体内液体等方面。


在使用导管做体液导出的时候,因为传统的导管为特殊结构,一旦人体体位或导管摆放角度不合适,会发生导液回流现象,这样会导致排液不彻底的问题,为了解决上诉问题,现提供一种防回流导管。


附件下载 1

暂无交稿哦!我来交稿

合子云
浏览人数
297
参与人数
0